MU Мотор-редуктор
Файлы
- Каталог U-MU (3.12 MB)
- Выбор по мощности (1.64 MB)
- Комплектующие (859.39 KB)
- Деталировка MU (590.81 KB)
- Каталог общий U-MU-CMU-CMI-P_MU (5.96 MB)
Мотор-редуктор SITI
Червячный одноступенчатый серии MU является модернизированной серией, изготавливаемой с использованием технологии литья под давлением.
Комплектуется электродвигателями мощностью от 0,09 кВт до 11 кВт с крутящим моментом от 4 Нм до 800 Нм и передаточным отношением от 5:1 до 100:1.
Серия имеет следующие типоразмеры: MU 40, MU 50, MU 63, MU 75, MU 90, MU 110.
Система обозначений
* Передаточное число 5/1 доступно до типоразмера MU 63 включительно.
** Фланцы F и FBR доступны до размера MU 63 включительно.
*** Фланцы FBML доступны до размер 75 включительно.
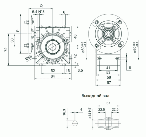
Габаритные и присоединительные размеры MU 30
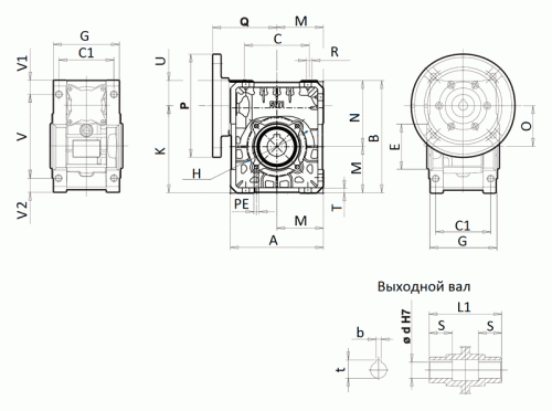
Габаритные и присоединительные размеры MU 40 - MU 110
| MU 40 | MU 50 | MU 63 | MU 75 | MU 90 | MU 110 | |
|---|---|---|---|---|---|---|
| A | 100 | 120 | 144 | 172 | 206 | 252.5 |
| B | 121.5 | 144 | 174 | 205 | 238 | 295 |
| C | 70 | 80 | 100 | 120 | 140 | 170 |
| C1 | 60 | 70 | 85 | 90 | 100 | 115 |
| d(h7) | 18 (19) | 25 | 25 (28) | 28 (35) | 35 (38) | 42 |
| E(g6) | 50 | 60 | 70 | 80 | 110 | 130 |
| G | 71 | 85 | 102 | 112 | 130 | 144 |
| H | 65 | 75 | 85 | 100 | 130 | 165 |
| L1 | 78 | 92 | 112 | 120 | 140 | 155 |
| M | 50 | 60 | 72 | 86 | 103 | 127.5 |
| N | 71.5 | 84 | 102 | 119 | 135 | 167.5 |
| O | 40 | 50 | 63 | 75 | 90 | 110 |
| S | 28 | 36 | 36 | 41 | 43 | 50 |
| T | 6.5 | 7 | 7 | 10 | 11 | 14 |
| V | 90 | 104 | 130 | 153 | 172 | 210 |
| V1 | 16,5 | 20 | 22 | 26 | 33 | 42,5 |
| V2 | 15 | 20 | 22 | 26 | 33 | 42,5 |
| R | 7 | 9 | 9 | 11 | 13 | 14 |
| PE | M6 (n=4) | M6 (n=4) | M8 (n=8) | M8 (n=8) | M10 (n=8) | M12 (n=8) |
| U | 31,5 | 34 | 39 | 44 | 45 | 57,5 |
| K | 90 | 110 | 135 | 161 | 193 | 237,5 |
| t | 20,8 (21,8) | 28,3 | 28,3 (31,3) | 31,3 (38,3) | 38,3 (41,3) | 45,3 |
| b | 6 | 8 | 8 | 8 | 10 | 12 |
| масса | 2 | 3 | 5 | 8 | 13 | 19 |
n - число крепёжных отверстий.
Все редукторы SITI серии MU могут комплектоваться выходными фланцами. Необходимые размеры Вы можете посмотреть в каталоге.
Эксплуатационные характеристики мотор-редукторов MU30
| i | n1=2800, об/мин (2P) | n1=1400, об/мин (4P) | n1=900, об/мин (6P) | ||||||||||||
|---|---|---|---|---|---|---|---|---|---|---|---|---|---|---|---|
| n2,
об/мин |
M2,
Н*м |
kW1 | RD
% |
sf | n2,
об/мин |
M2,
Н*м |
kW1 | RD
% |
sf | n2,
об/мин |
M2,
Н*м |
kW1 | RD
% |
sf | |
| 5 | 560 | 6 | 0.37 | 93 | 1.94 | 280 | 6 | 0.18 | 91 | 2.78 | 180 | 6 | 0.12 | 88 | 3.39 |
| 7.5 | 373 | 8 | 0.37 | 86 | 1.68 | 186.7 | 8 | 0.18 | 84 | 2.07 | 120 | 6 | 0.09 | 82 | 3.12 |
| 10 | 280 | 11 | 0.37 | 84 | 1.45 | 140 | 10 | 0.18 | 82 | 1.79 | 90 | 8 | 0.09 | 80 | 2.70 |
| 15 | 187 | 10 | 0.25 | 79 | 1.52 | 93.3 | 14 | 0.18 | 77 | 1.27 | 60 | 11 | 0.09 | 75 | 1.91 |
| 20 | 140 | 9 | 0.18 | 73 | 1.70 | 70 | 12 | 0.12 | 72 | 1.53 | 45 | 13 | 0.09 | 71 | 1.54 |
| 25 | 112 | 12 | 0.18 | 77 | 1.45 | 56 | 15 | 0.12 | 75 | 1.30 | 36 | 18 | 0.09 | 74 | 1.31 |
| 30 | 93 | 12 | 0.18 | 66 | 1.53 | 46.7 | 16 | 0.12 | 65 | 1.38 | 30 | 18 | 0.09 | 64 | 1.39 |
| 40 | 70 | 17 | 0.18 | 68 | 1.01 | 35 | 22 | 0.12 | 67 | 0.91 | 22.5 | 25 | 0.09 | 66 | 0.92 |
| 50 | 56 | 13 | 0.12 | 64 | 1.23 | 28 | 26 | 0.12 | 63 | 0.73 | 18 | 29 | 0.09 | 62 | 0.76 |
| 60 | 47 | 12 | 0.12 | 50 | 1.18 | 23.3 | 18 | 0.09 | 49 | 0.94 | 15 | 28 | 0.09 | 48 | 0.71 |
| 80 | 35 | 14 | 0.09 | 56 | 0.71 | 17.5 | 27 | 0.09 | 55 | 0.44 | 11.3 | 41 | 0.09 | 54 | 0.34 |
| 100 | 28 | 15 | 0.09 | 48 | 0.40 | 14 | 29 | 0.09 | 47 | 0.24 | 9 | 44 | 0.09 | 46 | 0.18 |
Эксплуатационные характеристики мотор-редукторов MU40
| i | n1=2800, об/мин (2P) | n1=1400, об/мин (4P) | n1=900, об/мин (6P) | ||||||||||||
|---|---|---|---|---|---|---|---|---|---|---|---|---|---|---|---|
| n2,
об/мин |
M2,
Н*м |
kW1 | RD
% |
sf | n2,
об/мин |
M2,
Н*м |
kW1 | RD
% |
sf | n2,
об/мин |
M2,
Н*м |
kW1 | RD
% |
sf | |
| 5 | 560 | 12 | 0.75 | 90 | 2.79 | 280 | 17 | 0.55 | 90 | 2.69 | 180 | 17 | 0.37 | 87 | 2.96 |
| 7.5 | 373 | 17 | 0.75 | 89 | 1.95 | 187 | 25 | 0.55 | 87 | 1.84 | 120 | 25 | 0.37 | 84 | 1.99 |
| 10 | 280 | 23 | 0.75 | 88 | 1.53 | 140 | 32 | 0.55 | 86 | 1.39 | 90 | 32 | 0.37 | 82 | 1.49 |
| 15 | 187 | 32 | 0.75 | 83 | 1.11 | 93 | 46 | 0.55 | 82 | 0.98 | 60 | 46 | 0.37 | 78 | 1.07 |
| 20 | 140 | 30 | 0.55 | 80 | 1.12 | 70 | 39 | 0.37 | 77 | 1.11 | 45 | 40 | 0.25 | 75 | 1.16 |
| 25 | 112 | 25 | 0.37 | 79 | 1.27 | 56 | 32 | 0.25 | 75 | 1.21 | 36 | 35 | 0.18 | 74 | 1.27 |
| 30 | 93 | 28 | 0.37 | 75 | 1.33 | 47 | 35 | 0.25 | 74 | 1.23 | 30 | 53 | 0.25 | 66 | 0.96 |
| 40 | 70 | 36 | 0.37 | 71 | 1.03 | 35 | 46 | 0.25 | 67 | 1.00 | 23 | 49 | 0.18 | 65 | 0.96 |
| 50 | 56 | 28 | 0.25 | 67 | 1.23 | 28 | 38 | 0.18 | 62 | 1.14 | 18 | 37 | 0.12 | 58 | 1.23 |
| 60 | 47 | 30 | 0.25 | 60 | 0.97 | 23 | 29 | 0.12 | 59 | 1.30 | 15 | 41 | 0.12 | 54 | 1.01 |
| 70 | 40 | 25 | 0.18 | 57 | 1.14 | 20 | 29 | 0.12 | 50 | 1.23 | 13 | 31 | 0.09 | 47 | 1.18 |
| 80 | 35 | 28 | 0.18 | 58 | 1.02 | 18 | 35 | 0.12 | 55 | 1.01 | 11 | 37 | 0.09 | 47 | 1.03 |
| 100 | 28 | 32 | 0.18 | 53 | 1.02 | 14 | 40 | 0.12 | 49 | 1.04 | 9 | 41 | 0.09 | 43 | 1.00 |
Эксплуатационные характеристики мотор-редукторов MU50
| i | n1=2800, об/мин (2P) | n1=1400, об/мин (4P) | n1=900, об/мин (6P) | ||||||||||||
|---|---|---|---|---|---|---|---|---|---|---|---|---|---|---|---|
| n2,
об/мин |
M2,
Н*м |
kW1 | RD
% |
sf | n2,
об/мин |
M2,
Н*м |
kW1 | RD
% |
sf | n2,
об/мин |
M2,
Н*м |
kW1 | RD
% |
sf | |
| 5 | 560 | 24 | 1.5 | 93.8 | 2.25 | 280 | 28 | 0.92 | 88.2 | 2.71 | 180 | 25 | 0.55 | 87.2 | 3.31 |
| 7.5 | 373 | 35 | 1.5 | 91.1 | 1.57 | 187 | 41 | 0.92 | 87.8 | 1.81 | 120 | 38 | 0.55 | 86.8 | 2.23 |
| 10 | 280 | 46 | 1.5 | 89.9 | 1.23 | 140 | 54 | 0.92 | 85.3 | 1.40 | 90 | 49 | 0.55 | 84.1 | 1.72 |
| 15 | 187 | 49 | 1.1 | 86.2 | 1.22 | 93 | 78 | 0.92 | 82.7 | 0.96 | 60 | 68 | 0.55 | 78.2 | 1.24 |
| 20 | 140 | 42 | 0.75 | 82.6 | 1.40 | 70 | 83 | 0.75 | 80.9 | 0.92 | 45 | 60 | 0.37 | 76.3 | 1.34 |
| 25 | 112 | 52 | 0.75 | 81.0 | 1.09 | 56 | 71 | 0.55 | 75.7 | 1.01 | 36 | 72 | 0.37 | 73.4 | 1.05 |
| 30 | 93 | 58 | 0.75 | 75.7 | 1.13 | 47 | 83 | 0.55 | 73.3 | 1.03 | 30 | 80 | 0.37 | 67.9 | 1.13 |
| 40 | 70 | 55 | 0.55 | 73.3 | 1.16 | 35 | 71 | 0.37 | 70.1 | 1.13 | 23 | 67 | 0.25 | 62.8 | 1.29 |
| 50 | 56 | 65 | 0.55 | 69.3 | 0.98 | 28 | 81 | 0.37 | 64.4 | 0.97 | 18 | 79 | 0.25 | 59.7 | 1.07 |
| 60 | 47 | 52 | 0.37 | 68.3 | 1.09 | 23 | 61 | 0.25 | 59.8 | 1.19 | 15 | 64 | 0.18 | 55.9 | 1.23 |
| 70 | 40 | 55 | 0.37 | 62.8 | 0.97 | 20 | 65 | 0.25 | 54.8 | 1.02 | 13 | 67 | 0.18 | 50.3 | 1.06 |
| 80 | 35 | 42 | 0.25 | 61.0 | 1.25 | 18 | 53 | 0.18 | 54.3 | 1.26 | 11 | 50 | 0.12 | 49.1 | 1.41 |
| 100 | 28 | 48 | 0.25 | 56.3 | 0.96 | 14 | 41 | 0.12 | 49.7 | 1.35 | 9 | 56 | 0.12 | 44.1 | 1.07 |
Эксплуатационные характеристики мотор-редукторов MU63
| i | n1=2800, об/мин (2P) | n1=1400, об/мин (4P) | n1=900, об/мин (6P) | ||||||||||||
|---|---|---|---|---|---|---|---|---|---|---|---|---|---|---|---|
| n2,
об/мин |
M2,
Н*м |
kW1 | RD
% |
sf | n2,
об/мин |
M2,
Н*м |
kW1 | RD
% |
sf | n2,
об/мин |
M2,
Н*м |
kW1 | RD
% |
sf | |
| 5 | 560 | 34 | 2.2 | 90.4 | 2.80 | 280 | 55 | 1.8 | 89.0 | 2.40 | 180 | 51 | 1.1 | 87.4 | 2.95 |
| 7.5 | 373 | 51 | 2.2 | 90.0 | 1.98 | 187 | 81 | 1.8 | 88.0 | 1.70 | 120 | 76 | 1.1 | 87.1 | 1.97 |
| 10 | 280 | 67 | 2.2 | 89.0 | 1.56 | 140 | 107 | 1.8 | 86.9 | 1.30 | 90 | 100 | 1.1 | 85.5 | 1.53 |
| 15 | 187 | 97 | 2.2 | 86.2 | 1.09 | 93 | 128 | 1.5 | 83.4 | 1.10 | 60 | 97 | 0.75 | 81.1 | 1.65 |
| 20 | 140 | 89 | 1.5 | 86.5 | 1.23 | 70 | 123 | 1.1 | 81.7 | 1.10 | 45 | 124 | 0.75 | 78.1 | 1.19 |
| 25 | 112 | 78 | 1.1 | 83.2 | 1.24 | 56 | 123 | 0.92 | 78.5 | 1.00 | 36 | 110 | 0.55 | 75.4 | 1.24 |
| 30 | 93 | 89 | 1.1 | 79.2 | 1.36 | 47 | 140 | 0.92 | 74.2 | 1.10 | 30 | 168 | 0.75 | 70.3 | 1.05 |
| 40 | 70 | 114 | 1.1 | 75.7 | 1.03 | 35 | 145 | 0.75 | 71.0 | 1.00 | 23 | 156 | 0.55 | 67.0 | 1.03 |
| 50 | 56 | 92 | 0.75 | 72.1 | 1.25 | 28 | 125 | 0.55 | 66.5 | 1.20 | 18 | 123 | 0.37 | 62.5 | 1.27 |
| 60 | 47 | 106 | 0.75 | 68.8 | 1.05 | 23 | 141 | 0.55 | 62.8 | 1.00 | 15 | 138 | 0.37 | 58.6 | 1.07 |
| 70 | 40 | 84 | 0.55 | 64.3 | 1.20 | 20 | 103 | 0.37 | 58.2 | 1.20 | 13 | 100 | 0.25 | 53.6 | 1.41 |
| 80 | 35 | 96 | 0.55 | 63.9 | 1.02 | 18 | 115 | 0.37 | 56.9 | 1.10 | 11 | 111 | 0.25 | 52.1 | 1.18 |
| 100 | 28 | 110 | 0.55 | 58.6 | 0.81 | 14 | 131 | 0.37 | 51.8 | 1.09 | 9 | 90 | 0.18 | 47.1 | 1.39 |
Эксплуатационные характеристики мотор-редукторов MU75
| i | n1=2800, об/мин (2P) | n1=1400, об/мин (4P) | n1=900, об/мин (6P) | ||||||||||||
|---|---|---|---|---|---|---|---|---|---|---|---|---|---|---|---|
| n2,
об/мин |
M2,
Н*м |
kW1 | RD
% |
sf | n2,
об/мин |
M2,
Н*м |
kW1 | RD
% |
sf | n2,
об/мин |
M2,
Н*м |
kW1 | RD
% |
sf | |
| 7.5 | 373 | 127 | 5.5 | 90.6 | 1.31 | 187 | 182 | 4 | 89.0 | 1.27 | 120 | 154 | 2.2 | 87.7 | 1.63 |
| 10 | 280 | 169 | 5.5 | 89.9 | 1.01 | 140 | 240 | 4 | 87.8 | 0.98 | 90 | 201 | 2.2 | 86.2 | 1.24 |
| 15 | 187 | 136 | 3 | 88.6 | 1.31 | 93 | 193 | 2.2 | 85.8 | 1.23 | 60 | 235 | 1.8 | 82.1 | 1.06 |
| 20 | 140 | 176 | 3 | 85.9 | 1.06 | 70 | 248 | 2.2 | 82.5 | 0.97 | 45 | 254 | 1.5 | 79.8 | 0.98 |
| 25 | 112 | 156 | 2.2 | 83.2 | 1.09 | 56 | 205 | 1.5 | 80.2 | 1.06 | 36 | 226 | 1.1 | 77.4 | 1.04 |
| 30 | 93 | 182 | 2.2 | 80.8 | 1.06 | 47 | 235 | 1.5 | 76.6 | 1.06 | 30 | 258 | 1.1 | 73.7 | 1.03 |
| 40 | 70 | 159 | 1.5 | 77.9 | 1.23 | 35 | 217 | 1.1 | 72.3 | 1.17 | 23 | 216 | 0.75 | 67.9 | 1.24 |
| 50 | 56 | 191 | 1.5 | 74.6 | 0.97 | 28 | 217 | 0.92 | 69.1 | 1.07 | 18 | 255 | 0.75 | 64.1 | 0.97 |
| 60 | 47 | 110 | 0.75 | 71.5 | 1.62 | 23 | 200 | 0.75 | 65.1 | 1.11 | 15 | 214 | 0.55 | 61.1 | 1.10 |
| 70 | 40 | 175 | 1.1 | 66.5 | 0.94 | 20 | 223 | 0.75 | 62.2 | 0.93 | 13 | 154 | 0.37 | 56.1 | 1.45 |
| 80 | 35 | 135 | 0.75 | 65.9 | 1.14 | 18 | 181 | 0.55 | 60.2 | 1.07 | 11 | 173 | 0.37 | 55.1 | 1.17 |
| 100 | 28 | 156 | 0.75 | 61.1 | 0.91 | 14 | 142 | 0.37 | 56.1 | 1.27 | 9 | 135 | 0.25 | 50.8 | 1.29 |
Эксплуатационные характеристики мотор-редукторов MU 90
| i | n1=2800, об/мин (2P) | n1=1400, об/мин (4P) | n1=900, об/мин (6P) | |||||||||||||||
|---|---|---|---|---|---|---|---|---|---|---|---|---|---|---|---|---|---|---|
| n2,
об/мин |
M2,
Н*м |
kW1 | HP1 | RD
% |
sf | n2,
об/мин |
M2,
Н*м |
kW1 | HP1 | RD
% |
sf | n2,
об/мин |
M2,
Н*м |
kW1 | HP1 | RD
% |
sf | |
| 7,5 | 373 | 129 | 5,5 | 7,50 | 91,8 | 2,07 | 187 | 255 | 5,5 | 7,50 | 90,8 | 1,45 | 120 | 157 | 2,2 | 3,00 | 89,6 | 2,62 |
| 10 | 280 | 170 | 5,5 | 7,50 | 90,8 | 1,59 | 140 | 335 | 5,5 | 7,50 | 89,3 | 1,10 | 90 | 205 | 2,2 | 3,00 | 87,8 | 1,98 |
| 15 | 187 | 243 | 5,5 | 7,50 | 86,4 | 1,13 | 93 | 354 | 4 | 5,50 | 86,4 | 1,06 | 60 | 295 | 2,2 | 3,00 | 84,2 | 1,42 |
| 20 | 140 | 321 | 5,5 | 7,50 | 85,6 | 1,03 | 70 | 347 | 3 | 4,00 | 84,7 | 1,23 | 45 | 380 | 2,2 | 3,00 | 81,3 | 1,19 |
| 25 | 112 | 291 | 4 | 5,50 | 85,3 | 0,99 | 56 | 310 | 2,2 | 3,00 | 82,6 | 1,20 | 36 | 378 | 1,8 | 2,50 | 79,1 | 0,94 |
| 30 | 93 | 336 | 4 | 5,50 | 82,2 | 1,12 | 47 | 483 | 3 | 4,00 | 78,6 | 1,01 | 30 | 527 | 2,2 | 3,00 | 75,3 | 0,99 |
| 40 | 70 | 320 | 3 | 4,00 | 78,3 | 1,09 | 35 | 451 | 2,2 | 3,00 | 75,2 | 1,01 | 23 | 454 | 1,5 | 2,00 | 71,3 | 1,08 |
| 50 | 56 | 286 | 2,2 | 3,00 | 76,3 | 1,07 | 28 | 371 | 1,5 | 2,00 | 72,5 | 1,05 | 18 | 399 | 1,1 | 1,50 | 68,3 | 1,07 |
| 60 | 47 | 325 | 2,2 | 3,00 | 72,1 | 0,90 | 23 | 311 | 1,1 | 1,50 | 69,0 | 1,18 | 15 | 307 | 0,75 | 1,00 | 64,2 | 1,29 |
| 70 | 40 | 249 | 1,5 | 2,00 | 69,5 | 1,11 | 20 | 336 | 1,1 | 1,50 | 63,9 | 1,04 | 13 | 330 | 0,75 | 1,00 | 59,3 | 1,12 |
| 80 | 35 | 284 | 1,5 | 2,00 | 69,4 | 0,87 | 18 | 317 | 0,92 | 1,25 | 63,2 | 1,01 | 11 | 377 | 0,75 | 1,00 | 59,2 | 0,90 |
| 100 | 28 | 244 | 1,1 | 1,50 | 65,1 | 0,87 | 14 | 305 | 0,75 | 1,00 | 59,6 | 0,95 | 9 | 318 | 0,55 | 0,75 | 54,5 | 0,96 |
Эксплуатационные характеристики мотор-редукторов MU 110
| i | n1=2800, об/мин (2P) | n1=1400, об/мин (4P) | n1=900, об/мин (6P) | ||||||||||||
|---|---|---|---|---|---|---|---|---|---|---|---|---|---|---|---|
| n2,
об/мин |
M2,
Н*м |
kW1 | RD
% |
sf | n2,
об/мин |
M2,
Н*м |
kW1 | RD
% |
sf | n2,
об/мин |
M2,
Н*м |
kW1 | RD
% |
sf | |
| 7,5 | 373 | 256 | 11 | 91,1 | 1,61 | 187 | 347 | 7,5 | 90,4 | 1,66 | 120 | 283 | 4 | 88,9 | 2,23 |
| 10 | 280 | 341 | 11 | 90,9 | 1,31 | 140 | 456 | 7,5 | 89,1 | 1,34 | 90 | 375 | 4 | 88,3 | 1,80 |
| 15 | 187 | 412 | 9,20 | 87,7 | 1,17 | 93 | 662 | 7,5 | 86,3 | 0,98 | 60 | 543 | 4 | 85,3 | 1,30 |
| 20 | 140 | 444 | 7,5 | 86,8 | 1,22 | 70 | 639 | 5,5 | 85,2 | 1,11 | 45 | 530 | 3 | 83,2 | 1,45 |
| 25 | 112 | 407 | 5,5 | 86,7 | 1,19 | 56 | 574 | 4 | 84,2 | 1,09 | 36 | 474 | 2,2 | 81,3 | 1,43 |
| 30 | 93 | 469 | 5,5 | 83,3 | 1,16 | 47 | 648 | 4 | 79,2 | 1,08 | 30 | 534 | 2,2 | 76,2 | 1,44 |
| 40 | 70 | 449 | 4 | 82,2 | 1,26 | 35 | 639 | 3 | 78,1 | 1,16 | 23 | 472 | 1,5 | 74,2 | 1,69 |
| 50 | 56 | 403 | 3 | 78,8 | 1,62 | 28 | 768 | 3 | 75,1 | 0,86 | 18 | 565 | 1,5 | 71,0 | 1,23 |
| 60 | 47 | 475 | 3 | 77,4 | 1,03 | 23 | 649 | 2,2 | 72,1 | 0,95 | 15 | 478 | 1,1 | 68,3 | 1,39 |
| 70 | 40 | 377 | 2,2 | 71,7 | 1,24 | 20 | 603 | 1,8 | 70,1 | 0,98 | 13 | 517 | 1,1 | 63,3 | 1,22 |
| 80 | 35 | 438 | 2,2 | 73,0 | 1,01 | 18 | 548 | 1,5 | 66,9 | 1,01 | 11 | 590 | 1,1 | 63,2 | 0,99 |
| 100 | 28 | 353 | 1,5 | 69,0 | 1,12 | 14 | 474 | 1,1 | 63,2 | 1,05 | 9 | 462 | 0,75 | 58,1 | 1,37 |
- i – передаточное число редуктора;
- 2P, 4P, 6P – количество полюсов электродвигателя;
- n1 – частота вращения эл. двигателя;
- n2– число оборотов выходного вала мотор-редуктора;
- sf – сервис-фактор;
- RD – к.п.д. - Коэффициент полезного действия в %;
- M2 – крутящий момент на выходном валу мотор-редуктора;
- kW1 – Мощность электродвигателя.




